ТК-32 Трансформатор - Welding equipment, arc and contact welding, buy on the official website of Technosvar Technology Center in Pskov
Technosvar Technology Center

Useful and interesting videos on our channel!

Technical information, reviews of manufactured equipment!

VKвидео YouTube
Technosvar Technology Center
  • En
Более 10 лет с вами
Call me back
Close
Call me back

Fill out the form and we will call you back!

Work time
с 08:00 до 17:00 Мск

I agree with the rules of the site and to the processing of my personal data in accordance with the requirements Federal law of 27 July 2006 №152-FZ «On personal data»

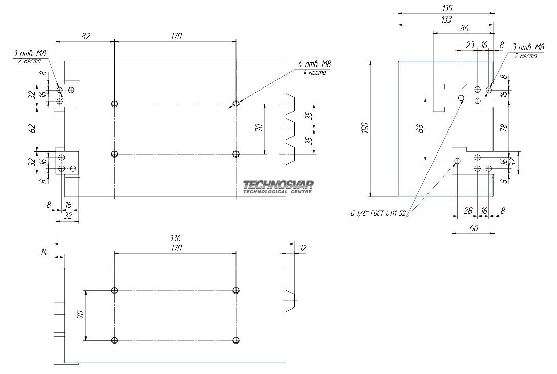
ТК-32 Трансформатор

Трансформатор сварочный ТК-32 УХЛ4 предназначен для использования в сварочных машинах (сварочных устройствах) в качестве источника сварочного тока.

 

Общие данные

Жидкостное охлаждение;

Класс изоляции «F»;

Магнитопровод по технологии Unicore;

Залит эпоксидным компаундом в кожух.

 

*Обращаем Ваше внимание , в целях улучшения качества, наше оборудование находится в постоянном процессе доработки и усовершенствования. Технические характеристики и внешний вид, приведенные на сайте,  носят исключительно ознакомительный характер и не являются публичной офертой. Производитель оставляет за собой право вносить любые изменения.

**Копирование данных, без согласования с администрацией сайта, запрещено.

Наименование параметра

Единицы измерения

Значение

 

Напряжение питающей сети

В

380

Частота питающей сети

Гц

50

Номинальное напряжение первичной обмотки

В

380

Вторичное напряжение

В

5,6

 

4

 

1

 

1

Ток длительный вторичного витка

кА

Число ступеней регулирования

 

Количество независимых вторичных витков трансформатора

 

Длительная мощность

кВА

23

Мощность при ПВ=50% на максимальной ступени регулирования

кВА

32

Длительный ток первичной обмотки

А

59

Охлаждение

 

водяное

Расход охлаждающей воды при давлении на входе не менее 0,5 кгс/см2

л/мин

4

Класс изоляции

 

F

Масса

кг

40

Need help?
Close
You need help selecting equipment?

Just fill out the form and we will find what You are looking for!

I agree with the rules of the site and to the processing of my personal data in accordance with the requirements Federal law of 27 July 2006 №152-FZ «On personal data»

Close
Service request
I agree with the rules of the site and to the processing of my personal data in accordance with the requirements Federal law of 27 July 2006 №152-FZ «On personal data»

Наверх